-
-
-
Tổng tiền thanh toán:
-
- Đạt tiêu chuẩn châu Âu (CE), và chứng nhận EN 1154
- Đạt tiêu chuẩn chống cháy EN 1634
- Có chức năng giữ cửa (hold-open)
- Góc mở tối đa 120°
- Lắp âm trong cánh cửa hoặc khung cửa. Có cơ cấu CAM- hỗ trợ lực mở
- Lực đẩy (power): size EN 2, 3, 4 (tùy chỉnh lực đẩy theo độ rộng của cửa. EN 2 ≤ 850mm; EN 3 ≤ 950mm; EN 4 ≤ 1100mm)
- Điều chỉnh được tốc độ đóng (closing), và đóng cuối/ sập vào (latching)
- Thích hợp cho cửa mở trái và mở phải
- Cho cửa rộng: 750- 1100mm, trọng lượng cửa tối đa 80 kg
- Độ dầy cửa tối thiểu: 46mm
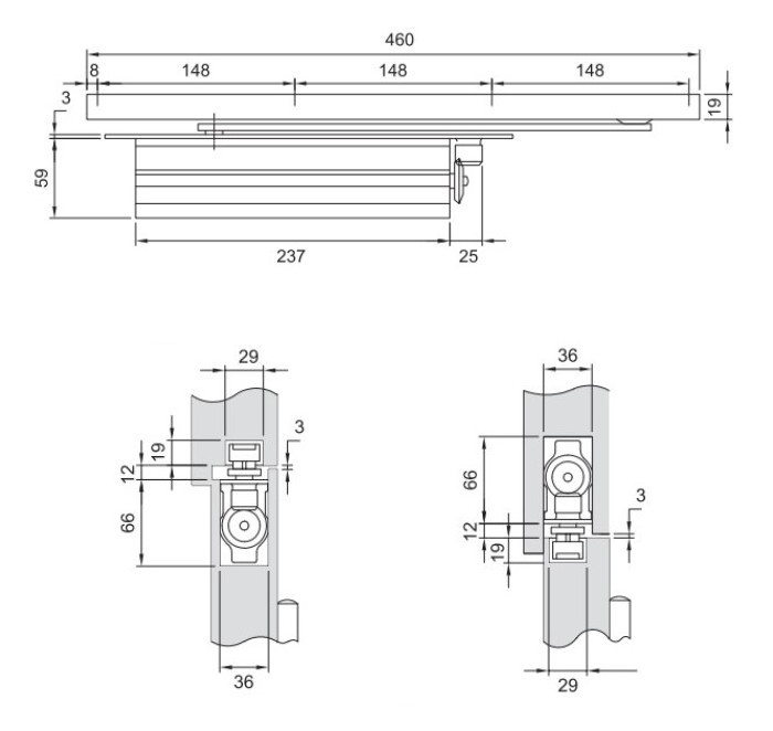
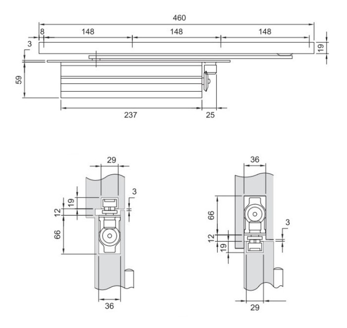
- Kích thước thân (D x C x S): 237 x 59 x 36 mm;
- Kích thước thanh trượt (D x R x C): 460 x 29 x 19 mm
- Thân được đúc bằng hợp kim nhôm nguyên khối; Tay đòn, bu lông, ốc vít làm bằng inox
- Màu hoàn thiện: Bạc
- Trong bao gói sản phẩm có tờ Hướng dẫn lắp đặt và điều chỉnh tốc độ. Và nếu KH cần thì sẽ có thợ kỹ thuật hỗ trợ lắp đặt từ xa
